Смешная байка про инженера с красным дипломом
Цитирую автора:
Итак господа,предоставляю вашему взгляду новоявленных инженеров... Я как поклонник КПИ и выпускник сего же вуза остаюсь его сторонником, качество инженерного образования там высокое, и контрактников за неуспеваемость выгоняют...
Теперь преамбула, всегда когда нужен инженер старался брать с ВУЗа без опыта но толкового, это лучше чем переучивать, да и по деньгам дешевле...
Вот была вакансия приходил народ на собеседование... мрак короче... дипломы в самое место в туалете вешать...
Теперь сама амбула (слово классное), звонок, молодой парень спокойным и уверенным голосом (уже+) сообщает хочу к вам на работу инженером. По ходу телефонной беседы вроде толковый специалист... приглашам на собеседование...
Пришёл: одет аккуратно, без выпендряжа... ещё+. Смотрим диплом частный вуз, имя коего мы не упоминаем дабы не создавать антирекламы. Диплом красный!!!!
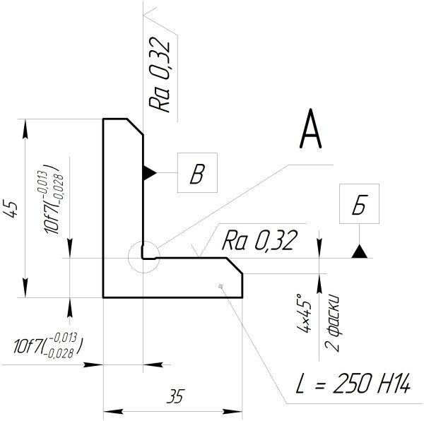
Вот к сожалению времени долго нет, вываливаю я ему на стол деталь (фото ниже) штангель и прошу её просто нарисовать...
сам забегался прошло уже 3-и часа и парень родил чертёж (смотрим фото) я сразу не понял а потом ржал - парень на чертеже родил эффект перспективы и это чел с красным дипломом.
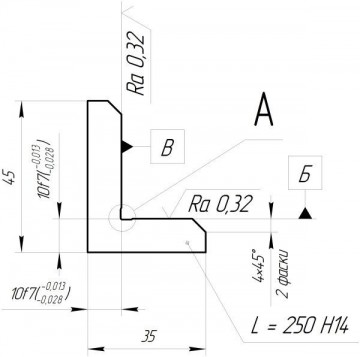
А вот что делал настоящий инженер (показан только главный вид), кстати девушка.
Источник
Итак господа,предоставляю вашему взгляду новоявленных инженеров... Я как поклонник КПИ и выпускник сего же вуза остаюсь его сторонником, качество инженерного образования там высокое, и контрактников за неуспеваемость выгоняют...
Теперь преамбула, всегда когда нужен инженер старался брать с ВУЗа без опыта но толкового, это лучше чем переучивать, да и по деньгам дешевле...
Вот была вакансия приходил народ на собеседование... мрак короче... дипломы в самое место в туалете вешать...
Теперь сама амбула (слово классное), звонок, молодой парень спокойным и уверенным голосом (уже+) сообщает хочу к вам на работу инженером. По ходу телефонной беседы вроде толковый специалист... приглашам на собеседование...
Пришёл: одет аккуратно, без выпендряжа... ещё+. Смотрим диплом частный вуз, имя коего мы не упоминаем дабы не создавать антирекламы. Диплом красный!!!!
Вот к сожалению времени долго нет, вываливаю я ему на стол деталь (фото ниже) штангель и прошу её просто нарисовать...
сам забегался прошло уже 3-и часа и парень родил чертёж (смотрим фото) я сразу не понял а потом ржал - парень на чертеже родил эффект перспективы и это чел с красным дипломом.
А вот что делал настоящий инженер (показан только главный вид), кстати девушка.
Источник
Новостной сайт E-News.su | E-News.pro. Используя материалы, размещайте обратную ссылку.
Оказать финансовую помощь сайту E-News.su | E-News.pro
Если заметили ошибку, выделите фрагмент текста и нажмите Ctrl+Enter (не выделяйте 1 знак)







